| 
                                        
                                     | 
                                
                                     | 
                                
                                     | 
                                
                                        
                    
                    
                                     | 
                                
                                        
                    
                    
                                     | 
                                
                                        
                    
                    
                                     | 
                                
                                        
                    
                    
                                     | 
                                
                                        
                    
                    
                    
                                     | 
                                
                                        
                                                +20 /-12                         
                                                +20/-12                         
                                                ±20                         
                                                ±20V                         
                                             
                    
                    
                                     | 
                                
                                        
                    
                    
                    
                                     | 
                                
                                        
                                                1.2~2.2                         
                                                1.2~2.4                         
                                                1.2~2.5                         
                                                1.2~2.5                         
                                                1.3~2.2                         
                                                1.3~2.3                         
                                                1.3~2.5                         
                                                1.3~2.5                         
                                                1.4~2.4                         
                                                1.4~2.5                         
                                                1.4~2.4                         
                                                1.5~2.5                         
                                                1.5~2.5                         
                                                1~2                         
                                                1~2.5                         
                                                1~3                         
                                                1~2.5                         
                                                2.0~4.0                         
                                                2.0~4.0                         
                                                2.4~3.8                         
                                                2~4                         
                                                2~4                         
                                             
                    
                    
                                     | 
                                
                                        
                    
                    
                    
                                     | 
                                
                                        
                    
                    
                    
                                     | 
                                
                                        
                    
                    
                    
                                     | 
                                
                                        
                    
                    
                    
                                     | 
                                
                                        
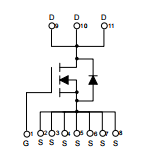
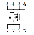
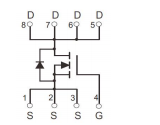
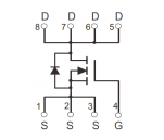
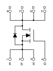
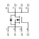
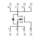
                                                DFNWB3x3-8L                         
                                                PDFNWB3.3x3.3-8L                         
                                                PDFNWB5x6-8L                         
                                                PDFNWB5x6-8L-F                         
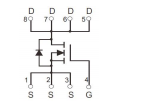
                                                SOP8                         
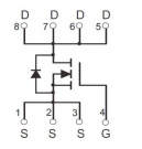
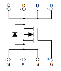
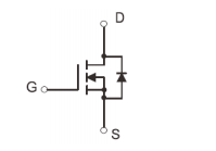
                                                TO-220-3L-C                         
                                                TO-220F                         
                                                TO-251S                         
                                                TO-252-2L                         
                                                TO-263-2L                         
                                             
                    
                    
                                     |